by Jeff Fisher
Your video distribution need may be as simple as getting a decent quality cable TV hookup to each TV. Or you may be planning to have several video cameras that you want to view from any TV, and want to "share" VCRs, satellite receivers, DVDs, etc. among all the TVs in the house.
So don't be scared. Dive in and enjoy! You can do a much better job than your electrician or local "cable guy."
On this page
- A Little History
- Introduction To Video Distribution
- Video Distribution Tutorial - Design
- Video Distribution Tutorial - Install
A Little History
Residential video distribution has come a long way since the days of a roof-mounted antenna connected to a TV by a length of 300 ohm twin-lead flat-cable snaking through a window screen. Back in those days just about anybody could hook up a TV. And when a home had more than one TV (which was rare) the other sets made do with rabbit ears!
Then came cable. At first the cable companies were more than happy to hook up your TVs for free, just to get your long-term business. If you had more than one TV, they just put a splitter on the side of your home. They controlled the signal level coming down the cable so if they needed more signal strength, they handled it "up at the pole."
After a while, the cable companies became the de-facto masters of video distribution and, thus, were able to charge for installations. Over the last few years, there has been a trend for the homeowner to take charge of the low-voltage wiring within the home. This trend was driven, for the most part, by the phone and cable TV companies' attempt to make installations a "profit center." When phone and cable installations got expensive enough (and sloppily done, at that) the homeowners started doing it themselves.
Today, it seems, neither the phone or cable companies care who does the installation. Which suits us just fine, because we know that we can help you do a whole lot better job than they would. All the cable company cares about (besides you paying your bill) is that you don't mess up the signal going to neighboring "drops" (in other wordsdon't send any signals back up the cable) and that you don't get them in trouble with the FCC by "leaking" their signals into the air.
Introduction To Video Distribution
Video distribution is all about getting a strong clear signal, of all channels (regardless of the source), to all video destinations within the home. This involves three general functions: Gathering, and in some cases creating, the signals in one area; Combining, conditioning, and amplifying the signals; And distributing the signals to their destinations.
The first thing your need to know about video distribution is that what you are really distributing is Radio Frequency (RF) signals. These signals, given the opportunity, would happily fly through the air to your TVs. But this method of video distribution is frowned upon by the FCC because they would rather let the "licensed broadcasters" handle that method of distribution. Instead, we force the RF signal to go down shielded coaxial cables. Apart from the distribution task itself, the two most important parts of creating a video distribution system are to keep your signals inside the cables, and to keep'other signals out of the cables!
A single coaxial cable can carry 130, or more, standard channel frequencies. Each channel includes video and audio components. With MTS encoding, each channel can even have stereo audio.
Contrary to an RF channel, which can coexist on a coaxial cable with many other channels, "baseband" video takes the whole cable, and doesn't even include sound! Baseband video and audio is what comes out of the RCA (a.k.a. "phono") jacks on the back of your VCR. Since it takes two coaxial cables to transport a single baseband video and audio source, you generally want to convert baseband into RF as "early" as possible. Which means as close to the source as possible.
You convert baseband to RF with a device called a modulator. Most modulators today are simple little digital boxes that are similar to, but the reverse of, a cable box. They have inputs for video and audio, and an output for RF. (RF is almost always an "F" type connector.) You can use one or more modulators to create your own "in-house" channels. In effect, you create your own cable TV company.
A cable coming in from your antenna or the cable company contains many RF channels and needs no modulation.
From a "block diagram" standpoint, there are four key pieces to any video distribution system: The coaxial cables themselves, which serve as a conduit for the RF signals and allow interconnecting the other key pieces; RF Amplifiers that "boost" the RF signals to make up for the signal losses the other pieces impose; Combiners which "add" two or more cables together to create a single output that contains all channels from both input cables; And splitters that take a single input cable and distribute the same signal to two or more output cables.
Planning a video distribution system is not difficult. You need to understand what the key pieces do, have a blueprint of your home, and be able to do a little very simple math. That's it!
Ready to Go On?
This application note covers video distribution in four sections:
- The first section describes how to design (and spec out) a system. This section will help you determine what equipment to buy. []
- The second section covers prewiring the system. This section will tell you what to do while the walls are still open.
- The third section details the installation of the system components.
- The fourth section describes how to "tune" and troubleshoot your system when you've got everything hooked up.
Please note that this application note is not about home theater systems, although it obviously describes how to get RF signals to and from the home theater system, and how to share home theater video sources with the rest of the home. It does not, however, describe how to interconnect baseband video/audio between the home theater components, or how to carry baseband or s-video signals throughout your home. (A practice we do not recommend.)
Nor does this application note cover whole-house audio distribution. See our Whole-House Audio Tutorial. Although video source components may supply audio to the whole-house audio system, we will treat whole-house audio distribution as a separate system.
This document also does not cover DSS/Satellite signal distribution. See How To Split A Satellite Signal. To integrate DSS distribution with your video distribution system, design the video distribution system first, then "piggyback" the DSS signals to the appropriate locations on the video distribution cable as described in the DSS document.
Throughout this document you will see highlighted part numbers. These are hyperlinks to more information elsewhere on our website about specific products. Unlike other "sterile" documents that claim to educate you about whole-house audio without actually naming any products or even brands, this document lets you click your way all the way through to actual product specifications, pictures, and prices!
Video Distribution Tutorial - Design
Section 1: Designing a Video Distribution System
This section of the tutorial describes how to design a video distribution system for your needs.
Misconceptions
Before beginning, I want to take a moment to dispel a couple of common misconceptions about video distribution. There are two kinds of things you can do when it comes to video distribution: The very easy and not-too-expensive; And the pretty hard and very expensive. In residential video distribution, we have always stayed with the former. Here are some examples from the "pretty hard and very expensive" category:
Combining Coaxial Cables With Common Channels I once said: I'll just combine my in-house UHF channel 22 with the antenna feed. There doesn't seem to be a channel 22 in my area. My channel 22 will surely drown out any little bit of any 22 than is coming in from the antenna. Silly me. It is astounding how little of a signal it takes to screw up a perfectly good signal...when they are on the same frequency. When you "combine" two coaxial cables containing RF signals, you have to be absolutely sure the cables have no frequencies (channels) in common. Combiners are very simple little devices: Essentially they are transformers that simply "sum" the two input signals.
Removing a Channel Let's say that you wanted to remove a channel, or a group of channels from a cable. Either just because you didn't want them in your house, or because you wanted to insert your own channels in their place. The cable companies do this with very precise, and obscenely expensive "notch filters." We don't do it in residential installations at all. The closest we come is with low-pass filters that remove all stations above a certain point. And they are not all that precise: They begin "attenuating" stations at one channel, and as you go up the channels get worse and worse, until you reach the rated cutoff, where the channels are completely gone. This spread can encompass ten or more channels.
Adjacent Channel Modulation Let's say that your local area doesn't have a channel 3 being broadcast. Why can't you just take the RF output of your VCR, which is channel 3, and combine it with your antenna signal so that everyone can watch the VCR? Well, you can...so long as nobody wants to watch channel 2 or channel 4. Modulators (and the channel 3 output from the VCR is coming from a little modulator built-in to the VCR) produce an RF signal that is much "wider" in frequency range than one channel. In order to keep this signal from interfering with the adjacent channels you have to use an extremely precise (and expensive) "narrow-band filter." The cable companies use the filters. In residential applications, we just make sure there is an unused channel above and below any "in-house" inserted channel.
If you keep these three limitations in mind, you won't "design yourself into a corner."
RF Video Distribution Concepts
Integrity of RF Signals
There are two parts to maintaining the integrity of RF signals; The first part is keeping your signals from leaking out of the cable. The second part is keeping outside signals from leaking into the cable (called "ingress".) When your signals leak out of the cable, it can cause interference on your neighbor's TVs. Besides, it annoys the FCC. If a local broadcast channel leaks into your cable, it will interfere with that channel (though not necessarily the same program) in your distribution system. Both problems are avoided by using good quality RG6 coaxial cable and properly installed high-quality connectors.
Splitters, Combiners, & Taps, Oh My!
RF cables are designed to carry RF signals from one point to another, not from one point to many. In other words, you can't run RF signals to multiple locations by wiring all the destinations in parallel. The reason is that the residential RF distribution scheme is based on 75 ohm terminated transmissions. Meaning that the transmitting side expects to see one, and only one, 75 ohm load on the other end of the cable.
A combiner is simply a splitter hooked up backwards. It combines the channels on two or more separate cables onto one cable. The only drawback to this piece of magic, is that the cables being combined cannot have any channels in common with each other. The resulting signal on that channel would be trashed.
Combiners make some neat things possible. Let's say you have cable TV that has channels 2 through 63. And you have a DSS receiver that you would like to be able to see on any TV in the house. You can hook up a modulator to the DSS receiver, set the modulator to channel 65, then combine this new channel back in your wiring closet with the cable TV coming in! Now any TV can watch DSS by simply changing to channel 65. This concept of "in-house" channel generation, together with the new cheaper and more reliable digital modulators, is opening up many new possibilities in residential video distribution.
Taps are similar to splitters, but are "wound crooked" so that the outputs are not equal in signal strength. The "through" output of a tap may only reduce the signal level by a very small amount, while the "tap" output is a small fraction of the signal level. Taps are primarily used in complex commercial distribution installations.
Calculating RF Signal Loss and Gain
This table gives some rule-of-thumb losses for various splitters and cable lengths. Better quality splitters, such as the Channel Vision line, have slightly less loss than shown.
| Table 1 Rule-Of-Thumb LossesDeviceLoss (-dBmV) | |
| 2-Way Splitter/Combiner | 4.0 |
| 3-Way Splitter/Combiner | 6.5 |
| 4-Way Splitter/Combiner | 8.0 |
| 8-Way Splitter/Combiner | 12.0 |
| 100 ft RG6 | 4.0 |
The RF signal looses strength as it passes down the cable and through combiners and splitters. To counter this loss (or "attenuation") we use RF amplifiers. In the ideal RF distribution system, the signal level at each wall-plate should be about the same as the signal level coming in from the cable TV system or antenna. This ideal is called "unity gain." By applying a little math, and the table below, you can calculate the approximate losses and gains in your system to approach this goal.
RF signal levels are measured in dBmV which is a logarithmic scale of signal relative to one millivolt. Since decibel values represent power levels, and are logarithmic, they can be calculated with simple addition and subtraction. The main thing to remember about dB (for short) values is that if the level drops below 0 dB (into the negative dB range), you are loosing actual signal information and no amount of amplification will be able to recover this lost information (picture quality.) In fact, amplifying a signal that is below 0 dB will usually make the picture worse since the noise is now being amplified and picked up. So you must insure that your signal levels never drop dangerously near 0 dB anywhere in your distribution system. This is why the main RF amplifier us usually connected near the input side of the distribution system; so the signal is boosted early, and never drops precariously low.
| Example 1 1-Input, 8 Output Design | |
| Let's say that you want to take a cable TV signal to 8 TVs over up to 100 feet of cable. An 8 way splitter has 12 dB loss, and 100 feet of RG6 has around 4 dB loss. This total loss of 16 dB (12 + 4) must be offset by an amplifier before the splitter. An inexpensive 15 dB amplifier just fills the bill. With such a setup, a 15 dB signal coming in will reach each TV with at least 14 dB of signal strength. Close enough! And note that the signal never drops below zero. Working up a diagram such as this one, with the gains and losses noted at each point, is an easy way to design a system. |
The only way to actually measure the signal level is with an RF signal level meter specifically designed for this task. We ended up buying one (they go for $1000 up) that we rent out to our local customers that are having trouble tuning up their very complex systems. But most folks get by just fine by just doing the calculations up front.
Cable TV companies are supposed to deliver around 15 dB of signal strength at the side of the house, but I've seen this range from below 0 to well over 25 dB. An antenna can deliver a wide range of signal strengths depending on the strength and distance of the stations.
The optimum level at the wall-plate is between 8 and 15 dB.
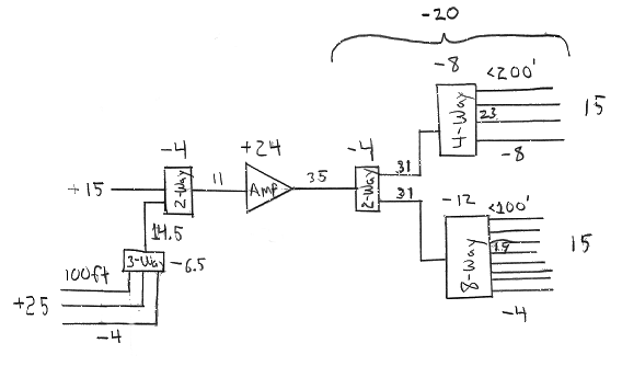
| Example 2 4-Input 12-Output Design | |
| This is an example of a more complex system design. It has one cable input, and three modulated signal inputs. (We assume the modulators put out around 25 dB.) These signals are combined, amplified, and distributed to 12 destinations. Four of the destinations are longer 100 - 200 feet, and the rest are 100 feet or less. The math shows that the signal strength, before the amplifier, is around 11 dB, and that there will be a 20 dB drop in the splitters and coax runs. Since we want the signal at the TVs to be around 15 dB, we can do the math backwards to see that we need around 25 dB of amplification. |
Counting INs and OUTs
Before you can get to the business of designing the headend, you need to know how many inputs and outputs you need. Cable TV coming in, or the Antenna feed coming in, counts as one (you can't use both simultaneously). Other inputs to the headend will come from modulators generating in-house channels. Modulators are often remotely located (by the equipment they get their A/V signals from) and send their modulated signals to the headend over the "upstream" coaxial cable. Two or more modulators at the same location should be treated as one at the headend since their signals will be combined at the remote location.
Usually, all inputs at the headend are combined separately, then combined with the main cable TV or antenna input. This is so the main input is not attenuated any more than necessary before being amplified. Besides, you have more control over the level of the in-house signals than you do over the cable TV or antenna signals. Also, you can add additional inputs later without greatly affecting the overall video distribution system design.
Outputs are the "downstream" cables that carry the signals to each of the wall plate "drops". It doesn't matter if there is actually a TV connected...the load on the system is the same. (Unused downstream drops should be capped with a terminator.)
If you end up with a lot more drops than you think you will ever have TVs, you can design your headend to handle only a limited number of connections at one time, and switch cables when you move TVs. Most folks, however, design the headend to drive all the drops, whether used or not. Note: Although you should have as many upstream cables coming back to the headend as you have downstream cables, most of the upstream cables will not be connected at any given time. Only the upstream cables that are connected to modulators should be combined into the system.
Now count the number of "in"s that you will have connected to the headend at any one time, and the number of "out"s you want to connect. These numbers will be used later to choose or design the headend.
Choosing Drop Locations and Calculating Cable Lengths
Next you need to choose a location for your cable drops. Initially, we just use the cable drop locations noted on the electrical plans. Although these are usually placed by the architect, not the owner, the countif not the exact locationsare usually pretty close. The locations can be refined as the construction date nears. Approximations are fine at this stage. The main thing is to make sure you have cable drops in the rooms where you will need them!
In bedrooms, the cable drop locations are generally opposite the bed location. In the main TV room, the location should be behind the TV/Home Theater. Don't forget to put a drop near the computer in the study! TV on the PC is increasingly easy and popular, as are cable modems. Also run some coax cable and some 4+ conductor telephone wire to the front door location for a security camera. Along with security cameras come the need for a cable drop in the kitchen and other often occupied spaces, so that the owner can easily see through the cameras.
You need to determine a location for the headend. Basements and garages are OK. Although under stairs and closets are a more common location. Attics are out due to excessive heat in the summer. A "central" location is nice, but the vagaries of architecture often don't allow this. Just make sure the location has access, through the walls, to all parts of the house.
One more "drop" will need to run to the cable entrance ("Point Of Demarcation") and/or the antenna location. If yours is new construction and you don't know where your cable will be coming in, check with other homes already built in the area to get a clue. If you have underground service, most often the entrance will be just inside the garage or on an outside wall nearest the street. If you have overhead service, the entrance will be on an outside wall nearest the closest pole. The cable company will run coax and install a grounding block at this point. You will connect to the other side of the grounding block.
Once the approximate locations are determined, you can estimate the cable lengths you'll need. With your ruler, measure the distance from each drop to the headend, always turning at right angles. Multiply by the scale to get the number of feet, then add ten feet to each run to account for ups and downs at each end. Once you've done this for all drops, add the lengths together and add a 20% fudge factor. (Why the fudge factor? Experience. Trust me.) Then multiply by two to account for upstream and downstream runs. Is your number somewhere between 500 and 1000 feet? Most of the time, it is. If less than 500 feet, you must have a home with very few rooms. If over 1000 feet, you're building a pretty impressive place! One 1000 foot spool of coax is the average purchase for our customers.
Designing the Headend
Now that you've figured out how many ins and outs you have, where they go, and how far they go, its time to think about the headend. There's two very different ways to go about this. The first is to choose a preconfigured video distribution panel that is appropriate for your needs. The second is to design your own video headend with what we call "video plumbing." This is where you screw a bunch of components to at piece of plywood on the wall and interconnect them with short pieces of coax. While this is good clean fun, it isn't always the prettiest, or the neatest solution. However, it may meet your needs much better than a preconfigured panel.
Designing the Headend with Discrete Components
(See also How To Choose A Structured Wiring Panel and How To Wire A Structured Wiring Panel.)
| Example 3 A three input front-end | |
| This is a typical front-end to a video distribution system. Notice how the antenna/cable feed only passes through one two-way splitter. |
When designing a headend with discrete components, start at each end and work towards the middle, with the amplifier being the last component selected.
Inputs
Bring in the cable TV or antenna feed into a two input combiner. Then combine the upstream cables together in such a manner that the output of this combination is in the 12 - 19 dB range. (Assume the output of modulators is 25 dB, most are this high or higher, and are adjustable.) Run this signal into the other input of the main combiner. You now have a single cable with balanced blend of CATV/antenna signals and in-house signals in the 8 - 15 dB range.
Minimizing the drop on the main feed is a primary concern since you don't have much control over the strength of this signal. If it happens to be very weak, you don't want it to go below 0 dB in your input stage.
Outputs
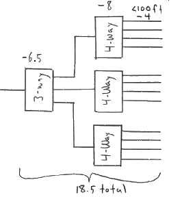
| Example 4 Equal Outputs | |
| For a headend system with all outputs equal, design everything in a "symmetrical" manner. For 12 outputs, figure on 3 4-Way splitters in the final drive stage, then a 3-Way splitter driving the finals. Total attenuation: 18.5 dB. |
Now see if you can group the "drop" (downstream) feeds into longer and shorter runs. Think in numbers like 2, 4, and 8 for the number of cables. And lengths like <100, 100-200, and 200+ feet.
Equal Outputs
If most of your runs are within one of these categories, you should design a system with all outputs at the same level. An equal-output system is achieved by using a "symmetrical" approach. All splitters at each stage should be the same size. An equal-output design with eight or less outputs needs only a single splitter stage (see Example 1). But for more than eight outputs, you will need two or more splitter stages (Example 4).
Unequal Outputs
| Example 5 Unequal Outputs | |
| This is an example of a design with unequal outputs. Four of the outputs have 4 dB higher output than the other eight due to the difference in loss between a 4-way splitter and an 8-way splitter. The extra 4 dB will drive a signal an extra 100 feet and end up with the same level. |
If, however, you have some runs that are longer and some that are shorter, you should split these up (2, 4, 8!) and design a system with some outputs stronger than others. Figuring a 4 dB loss per 100 feet of coax, a 200 foot run should have 4 dB higher output at the headend than the 100 foot runs.
Remember that the smaller the splitter, the stronger the output. Thus, use a single large splitter to drive all the short runs, and one or more smaller splitters to drive the longer runs. In an unequal-output system, you will always end up with another level of splitter that drives the final splitters.
Amplification
Now that you have the numbers for the total loss in your system, you can determine how big of a main amplifier you need to counteract these losses.
Main Amplifier
Add up the total loss of your system by adding the loss in the input side to the loss in the output side. For average systems, this number is usually around 25 dB. Choose an amplifier that has at least that much gain. Amplifiers with variable outputs are nice since they let you easily adjust the gain to meet your exact requirements.
The main amplifier will connect your input stage to your output stage. (See Example 2.)
Isolation Amplifier
It is good practice to plan for an isolation amplifier on your main antenna/cable input. This amplifier takes the input antenna/cable signal and amplifies it a little, and the resulting output is then fed into the main antenna/cable input to your distribution system.
The isolation amplifier serves two purposes: It may be needed if the input signal is very low, in order to boost it to a level that is roughly equal to the other inputs so that it can be successfully combined in your input stage. And it keeps your in-house modulated signals from going back up the cable or out of your antenna!
That having been said, in practice I usually find that an isolation amplifier is not needed: The input signal is usually strong enough, and the attenuation between the two inputs of the main combiner is quite high, so your in-house channels shouldn't "leak" back up the cable. There are always, however, exceptions. So at least keep in mind that you may ultimately need an isolation amplifier. (All the pre-configured panels include an isolation amplifier. Apparently the manufacturers believe it is important.)
Once you have the headend designed, you can put up a sheet of plywood and screw the components to it, and interconnect the components just like your diagram!
Designing the Headend with a Distribution Panel
The pre-configured distribution panel approach is much easier and cleaner. Now that your know how many outputs you need, just choose a panel with enough outputs. If the panel you choose doesn't have enough inputs, you can add an external combiner to get all your signals in.
| Example 6 Adding an Extra Output | |
| This example shows how you can ad an extra output to a distribution panel. You loose one long run output and gain two short run outputs. |
You can also mix a pre-configured panel with a custom design. For example, you could take one of the outputs, amplify it, and split it eight ways to add a total of 7 outputs. Example 6 shows how you can turn one long run output into two short runs without even adding an amplifier!
Choosing Modulators
Modulators are devices that take video and audio signals and turn them into an RF channel. Normally, modulators reside near the device that they are creating the channel for, such as a satellite receiver. Although several cables are needed to connect the source to the modulator, a single coaxial cable can carry the audio and video signal to the headend. Exceptions to this include video cameras an other such sources where you might not want the modulator located out by the camera. In these cases, the modulator is usually placed at the headend and the camera's signal is carried in its "baseband" form over coax to the headend.
The exact modulator(s) you choose is up to you. If you have two or more sources at a single location, you can save some money by using a double- or triple-channel modulator.
The NetMedia modulators are smaller and a little less expensive than the Channel Vision line. The Channel Vision modulators are easier to set up, come in more versions, and have a slightly stronger output than the NetMedia line. Our newer product line now includes the CELabs modulators that are small, have channel displays like the Channel Visions. They also have the least expensive one channel stereo modulator.On the high-end Channel Plus offers 3 & 4 channel stereo versions with S-Video inputs. All these modulators are digitally tuned, are drift-free, and perform equally well.
Video Distribution Tutorial - Install
Section 3: Installing a Video Distribution System
Our newest update is currently part of our "how to install combo cable" which covers some of the installation for video distribution. See How To Wire A Structured Wiring Panel and How To Install Combination Cable.
Glossary
- Baseband Video
- An unmodulated video signal. Depending on the regional standard, it may be NTSC, PAL, SECAM, etc. format. NTSC is used throughout North America. This signal does not carry any audio component and "takes up" the entire coaxial cable. Baseband video can be transported over the same kind of cable (I.E. 75 ohm RG-6 dual or quad shield coaxial) as RF video, but never at the same time. Runs of several hundred feet are possible without amplification, but amplification and distribution of baseband video is very different than RF video/audio and is not covered in this document. You can tell a baseband video input or output jack from an RF jack because the baseband jacks are usually non-threaded RCA style connectors.
- CATV
- Short for Cable Access Television. The method for distributing RF signals via coaxial cable rather than radiated through the air.
- MATV
- Short for Multiple Access Television. The method for distributing RF TV signals by broadcasting them through the air.
- MTS Encoding
- A method of encoding stereo audio along with the video signal on an RF channel. Many TVs and VCRs can decode this stereo signal. Those that can't simply get the mono audio signal.
- RF Video/Audio
- One or more video/audio signals modulated to Radio Frequencies. As in TV channels. You can tell an RF input or output jack from a baseband video or line level audio jack because the RF jacks are usually threaded "F" style connectors.
Register (under "Log In" above) to leave a comment.
